Vyberte místo pro doručení

Výběr stránky země/oblasti může mít vliv na různé faktory, jako jsou cena, možnosti dopravy a dostupnost produktu.
Moje kontaktní osoba
Hennlich s.r.o.

Račianska 188

831 53 Bratislava 34

+421 2 50202506
+421 2 50202520
Hennlich s.r.o.

Košťany nad Turcom 543

SK-038 41 Košťany nad Turcom

SK(CS)

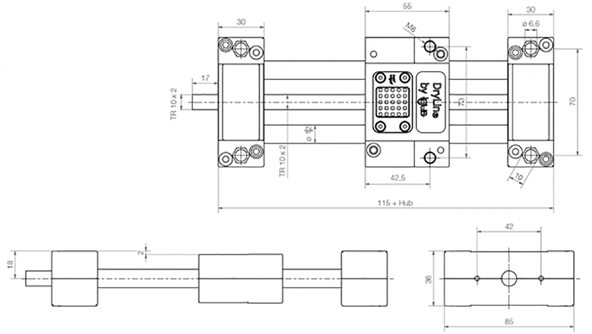
Zvedací stůl s rychlým uvolněním SHTP-FF

Zvedací stoly s mechanismem rychlého uvolnění SHTP nabízejí kombinaci přesného polohování a rychlého nastavení rukou.

lehčí model s tvrdého polymeru

Pro rychlá nastavení formátu

Včetně blokovací brzdy

Volně nastavitelné délky zdvihu

Doporučeno pouze pro horizontální aplikace

Max. stat. axiální zatížení 200 N

Max. dyn. axiální zatížení 50 N

SHTP-FF

Vhodné pro toto zboží:


Díl. č. A Al H E1 E2 E3 L r f lt tk ts kt
  -0,3 -0,3   ±0,15 ±0,15 ±0,15 [mm] [mm] [mm] ±0,1 ±0,1    
pripravené na odoslanie do 3-4 pracovných dní SHTP-01-12-AWM-FF (1) 85 55 36 70 73 42,5 115 42 2 30 10 6,6 0
Více o vybraném díle:
CAD CAD
Žádost o vzorky Žádost o vzorky
PDF PDF
Cenová poptávka Cenová poptávka
myCatalog myCatalog

(1) Pouzdra a matice lichoběžníkového vodicího šroubu jsou vyrobeny z iglidur® J.

Díl. č. sg d t l2 d2* ha Max.
délka posuvu
Hmotnost Dodatečná hmotnost

   
          Standard   [mm] [kg] na 100 mm    
pripravené na odoslanie do 3-4 pracovných dní SHTP-01-12-AWM-FF (1) M6 12 TR10x2 17 TR10x2 18 500 0,35 0,11 na požádání Pridat do nákupního košíku
Více o vybraném díle:
CAD CAD
Žádost o vzorky Žádost o vzorky
PDF PDF
Cenová poptávka Cenová poptávka
myCatalog myCatalog

(1) Pouzdra a matice lichoběžníkového vodicího šroubu jsou vyrobeny z iglidur® J.

Další informace:


Vhodné pro toto zboží:

pripravené na odoslanie za 24 až 48 hodín drylin® E - přehled produktů

Neustálý vývoj sady nástrojů a konceptu systému samomazné technologie pohonu drylin®.

pripravené na odoslanie za 24 až 48 hodín
pripravené na odoslanie do 3-4 pracovných dní

Termíny "Apiro", "AutoChain", "CFRIP", "chainflex", "chainge", "řetězy pro jeřáby", "ConProtect", "cradle-chain", "CTD", "drygear", "drylin", "dryspin", "dry-tech", "dryway", "easy chain", "e-chain", "e-chain systems", quot;e-ketten", "e-kettensysteme", "e-loop", "energy chain", "energy chain systems", "enjoyneering", "e-skin", "e-spool", "fixflex", "flizz", "i.Cee", "ibow", "igear", "iglidur", "igubal", "igumid", "igus", "igus zlepšuje, co se hýbe", 73quot;igus:", "igusGO", "igutex", "iguverse", "iguversum", "kineKIT", "kopla", "manus", "motion plastics", "motion polymers", "motionary", "plasty pro delší životnost", "print2mold", "Rawbot", "RBTX", "readycable", "readychain", "ReBeL" , "ReCyycle", "reguse", "robolink", "Rohbot", "savfe", "speedigus", "superwise", "take the dryway", "tribofilament", "tribotape", "triflex", "twisterchain", "když se hýbe, igus zlepšuje", "xirodur", "xiros" a "ano" jsou zákonem chráněné ochranné známky společnosti igus® SE & Co. KG/kolín nad Rýnem ve Spolkové republice Německo a případně v některých zahraničních zemích. Jedná se o neúplný seznam ochranných známek (např. přihlášky ochranných známek nebo registrované ochranné známky) společnosti igus SE & Co. KG nebo přidružených společností igus v Německu, Evropské unii, USA a/nebo jiných zemích či jurisdikcích.

Společnost igus® SE & Co. KG upozorňuje na to, že neprodává žádné produkty společností Allen Bradley, B&R, Baumüller, Beckhoff, Lahr, Control Techniques, Danaher Motion, ELAU, FAGOR, FANUC, Festo, Heidenhain, Jetter, Lenze, LinMot, LTi DRiVES, Mitsubishi, NUM, Parker, Bosch Rexroth, SEW, Siemens, Stöber ani žádných jiných výrobců pohonů uvedených na tomto webu. Produkty nabízené společností igus® jsou stejné jako produkty společnosti igus® SE & Co. KG