Vyberte místo pro doručení

Výběr stránky země/oblasti může mít vliv na různé faktory, jako jsou cena, možnosti dopravy a dostupnost produktu.
Moje kontaktní osoba
Hennlich s.r.o.

Račianska 188

831 53 Bratislava 34

+421 2 50202506
+421 2 50202520
Hennlich s.r.o.

Košťany nad Turcom 543

SK-038 41 Košťany nad Turcom

SK(CS)

Special properties cross slide

High precision, extreme stiffening and precise alignment through CNC production

Available as standard and preload version

100% lubricant-free and completely corrosion-free

Adjustments by trapezoidal thread TR 10x2

Mounting of upper unit with right or left alignment possible

Available accessories (hand wheel, cursor ...)

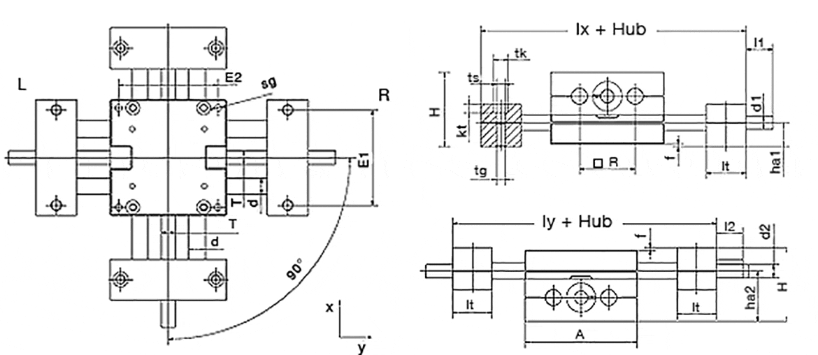
Cross slide

SHT-XY – Instalační velikosti stolů XY

Stůl XY drylin® SHT-XY-08-AWM

SHT-XY-08-AWM

  • Max. délka zdvihu: 150 mm
  • Délka vozíku: 65 mm
  • Materiál hřídele: hliník
  • Průměr hřídele: 8 mm
Stůl XY drylin® SHT-XY-12-AWM

SHT-XY-12-AWM

  • Max. délka zdvihu: 350 mm
  • Délka vozíku: 85 mm
  • Materiál hřídele: hliník
  • Průměr hřídele: 12 mm

S předpětím pružiny - verze PL

Stůl XY drylin® SHT-XY-12-AWM-PL

SHT-XY-12-AWM-PL

  • Max. délka zdvihu: 350 mm
  • Délka vozíku: 85 mm
  • Materiál hřídele: hliník
  • Průměr hřídele: 12 mm
  • S předpětím
Stůl XY drylin® SHT-XY-20-EWM-PL

SHT-XY-20-EWM-PL

  • Max. délka zdvihu: 500 mm
  • Délka vozíku: 130 mm
  • Materiál hřídele: nerezová ocel
  • Průměr hřídele: 20 mm
  • S předpětím

SHT/SHT-PL - příčné kluzné


Cross slide lengths and weights [mm]

Order no. A
-0.3
[mm]
H
 
[mm]
E1
±0,15
[mm]
E2
±0,15
[mm]
Base-
length lx
[mm]
Base-
length ly
[mm]
R
 
[mm]
f
 
[mm]
lt
±0,1
[mm]
tk
 
[mm]
ts
 
[mm]
tg
 
kt
 
[mm]
pripravené na odoslanie do 10 pracovných dní SHT-XY-12 85 56 70 73 145 145 42 2 30 11 6,6 M8 6,4
pripravené na odoslanie do 10 pracovných dní SHT-XY-08 65 42 52 56 96 96 32 1,5 15,5 10 5,5 M6 7
pripravené na odoslanie do 10 pracovných dní SHT-XY-12-PL 85 56 70 73 145 145 42 2 30 11 6,6 M8 6,4
pripravené na odoslanie do 10 pracovných dní SHT-XY-20-EWM-PL 130 86 108 115 202 202 72 2 36 15 9 M10 8,6
Více o vybraném díle:
CAD CAD
Žádost o vzorky Žádost o vzorky
PDF PDF
Cenová poptávka Cenová poptávka
myCatalog myCatalog

Cross slide dimensions [mm]

Objednávka č. sg


d

[mm]
T

l1

[mm]
d1
Standardní
d1
Alternativa
l2

[mm]
d2
Standardní
d2
Alternativa
ha1

[mm]
ha2

[mm]
W
ha2-ha1
[mm]
pripravené na odoslanie do 10 pracovných dní SHT-XY-12 M6 12 TR10x2 17 TR10x2 6h9 17 6h9 18 38 20
pripravené na odoslanie do 10 pracovných dní SHT-XY-08 M5 8 TR6x2/TR6,35x2,54 15,5 TR6x2/TR6,35x2,54 5 15 5 13 29 16
pripravené na odoslanie do 10 pracovných dní SHT-XY-12-PL M6 12 TR10x2 17 TR10x2 6h9 17 6h9 18 38 20
pripravené na odoslanie do 10 pracovných dní SHT-XY-20-EWM-PL M8 20 TR18x4 26 TR18x4 - 26 12h9 23 63 40
Více o vybraném díle:
CAD CAD
Žádost o vzorky Žádost o vzorky
PDF PDF
Cenová poptávka Cenová poptávka
myCatalog myCatalog
Můžete si objednat, zda chcete ruční kolečko osy y namontované vlevo nebo vpravo.
Vlevo: SHT-XY-12-AWM-L-200-300 pro délky zdvihu 200 mm ve směru osy x a 300 mm ve směru osy y.

Technické možnosti série SHT

Následující možnosti jsou k dispozici v rámci produktové řady SHT-XY.


More information and cross slide accessories



pripravené na odoslanie do 10 pracovných dní

Termíny "Apiro", "AutoChain", "CFRIP", "chainflex", "chainge", "řetězy pro jeřáby", "ConProtect", "cradle-chain", "CTD", "drygear", "drylin", "dryspin", "dry-tech", "dryway", "easy chain", "e-chain", "e-chain systems", quot;e-ketten", "e-kettensysteme", "e-loop", "energy chain", "energy chain systems", "enjoyneering", "e-skin", "e-spool", "fixflex", "flizz", "i.Cee", "ibow", "igear", "iglidur", "igubal", "igumid", "igus", "igus zlepšuje, co se hýbe", 73quot;igus:", "igusGO", "igutex", "iguverse", "iguversum", "kineKIT", "kopla", "manus", "motion plastics", "motion polymers", "motionary", "plasty pro delší životnost", "print2mold", "Rawbot", "RBTX", "readycable", "readychain", "ReBeL" , "ReCyycle", "reguse", "robolink", "Rohbot", "savfe", "speedigus", "superwise", "take the dryway", "tribofilament", "tribotape", "triflex", "twisterchain", "když se hýbe, igus zlepšuje", "xirodur", "xiros" a "ano" jsou zákonem chráněné ochranné známky společnosti igus® SE & Co. KG/kolín nad Rýnem ve Spolkové republice Německo a případně v některých zahraničních zemích. Jedná se o neúplný seznam ochranných známek (např. přihlášky ochranných známek nebo registrované ochranné známky) společnosti igus SE & Co. KG nebo přidružených společností igus v Německu, Evropské unii, USA a/nebo jiných zemích či jurisdikcích.

Společnost igus® SE & Co. KG upozorňuje na to, že neprodává žádné produkty společností Allen Bradley, B&R, Baumüller, Beckhoff, Lahr, Control Techniques, Danaher Motion, ELAU, FAGOR, FANUC, Festo, Heidenhain, Jetter, Lenze, LinMot, LTi DRiVES, Mitsubishi, NUM, Parker, Bosch Rexroth, SEW, Siemens, Stöber ani žádných jiných výrobců pohonů uvedených na tomto webu. Produkty nabízené společností igus® jsou stejné jako produkty společnosti igus® SE & Co. KG