Vyberte místo pro doručení

Výběr stránky země/oblasti může mít vliv na různé faktory, jako jsou cena, možnosti dopravy a dostupnost produktu.
Moje kontaktní osoba
Hennlich s.r.o.

Račianska 188

831 53 Bratislava 34

+421 2 50202506
+421 2 50202520
Hennlich s.r.o.

Košťany nad Turcom 543

SK-038 41 Košťany nad Turcom

SK(CS)

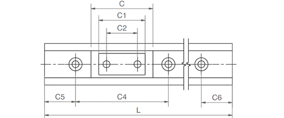
drylin® N - Nízkoprofilový lineární vodicí systém NK-02-40

Verze 02 se závitovým otvorem:

Objednávka č. Max. délky kolejnic a C4 A3 C5=C6 h h1 K1* ly lz Hmotnost kolejnice Cena / m  
  [L max.]       min. max.       [mm2] [mm2] [g/m]    
připraveno k přepravě za 24-48 hodin NS-01-40 3000 40 60 0 20 20/49,5 8,7 1,3 M4 26400 970 450 44,09 EUR Pridat do nákupního košíku
připraveno k přepravě za 24-48 hodin NS-01-40-UNGEBOHRT 3000 40 0 0 0 8,7 1,3 26400 970 450 39,47 EUR Pridat do nákupního košíku
připraveno k přepravě za 24-48 hodin NS-01-40-AR 3000 40 60 0 20 20/49,5 8,7 1,3 M4 26400 970 450 50,71 EUR Pridat do nákupního košíku
Více o vybraném díle:
CAD CAD
Žádost o vzorky Žádost o vzorky
PDF PDF
Cenová poptávka Cenová poptávka
myCatalog myCatalog

Pro neprovrtané kolejnice uveďte prosím v poznámce "Neprovrtané".
* Pro šrouby s vnitřním šestihranem tenké s válcovou hlavou

Verze 02 se závitovým otvorem:

Objednávka č. Označení Hmotnost vozíku    
    [g]    
připraveno k přepravě za 24-48 hodin NW-02-40 Zacvakávací vozík, pevné ložisko 30 9,06 EUR Pridat do nákupního košíku
připraveno k přepravě za 24-48 hodin NW-02-40-LLY Zacvakávací vozík, plovoucí ložisko ve směru y 30 9,05 EUR Pridat do nákupního košíku
připraveno k přepravě za 24-48 hodin NW-02-40-LLZ Zacvakávací vozík, plovoucí ložisko ve směru z 30 9,05 EUR Pridat do nákupního košíku
připraveno k přepravě za 24-48 hodin NW-02-40-LLYZ Zacvakávací vozík, plovoucí ložisko ve směrech y a z 30 9,05 EUR Pridat do nákupního košíku
Více o vybraném díle:
CAD CAD
Žádost o vzorky Žádost o vzorky
PDF PDF
Cenová poptávka Cenová poptávka
myCatalog myCatalog

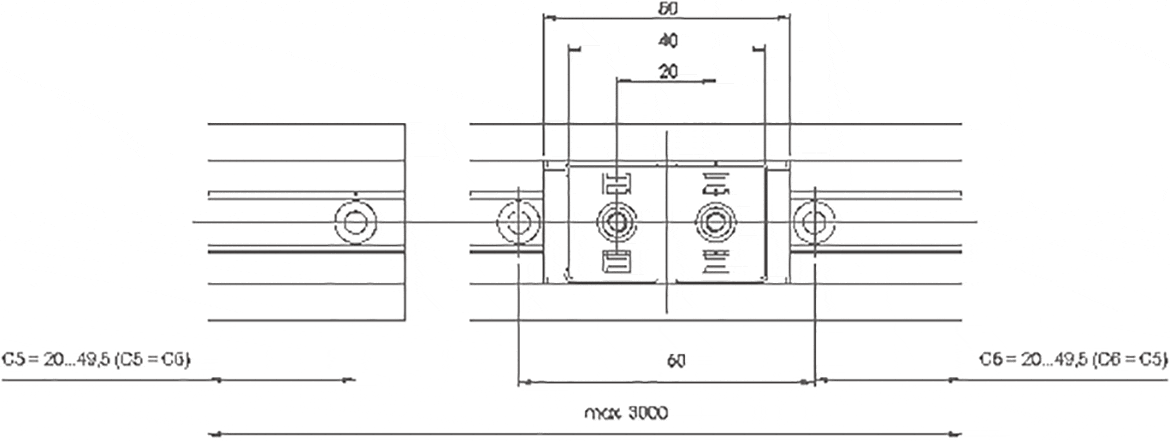
Verze 02: Rozměry [mm] - vodicí vozíky

Díl. č. H A C C1 C2 A2 H2 K2 K3 K4 Spmin. DpØmin. Hmotnost
  ±0,35                       [g/m]
připraveno k přepravě za 24-48 hodin NW-02-40 9,5 23 50 40 20 0 0 M4 5 6,5 30
připraveno k přepravě za 24-48 hodin NW-02-40-LLY 9,5 23 50 40 20 0 0 M4 5 6,5 30
připraveno k přepravě za 24-48 hodin NW-02-40-LLZ 9,5 23 50 40 20 0 0 M4 5 6,5 30
připraveno k přepravě za 24-48 hodin NW-02-40-LLYZ 9,5 23 50 40 20 0 0 M4 5 6,5 30
Více o vybraném díle:
CAD CAD
Žádost o vzorky Žádost o vzorky
PDF PDF
Cenová poptávka Cenová poptávka
myCatalog myCatalog

Verze 12 se závitovým otvorem:

Objednávka č. Označení Hmotnost vozíku    
    [g]    
připraveno k přepravě za 24-48 hodin NW-12-40 Injekčně vstřikovaný vozík 30 9,06 EUR Pridat do nákupního košíku
připraveno k přepravě za 24-48 hodin NW-12-40-LLY Injekčně vstřikovaný vozík, plovoucí ložisko ve směru y 30 9,05 EUR Pridat do nákupního košíku
připraveno k přepravě za 24-48 hodin NW-12-40-LLZ Injekčně vstřikovaný vozík, plovoucí ložisko ve směru z 30 9,05 EUR Pridat do nákupního košíku
připraveno k přepravě za 24-48 hodin NW-12-40-LLYZ Injekčně vstřikovaný vozík, plovoucí ložisko ve směrech y a z 30 9,06 EUR Pridat do nákupního košíku
připraveno k přepravě za 24-48 hodin NW-12-27 Injekčně vstřikovaný vozík 12,5 5,51 EUR Pridat do nákupního košíku
připraveno k přepravě za 10 pracovních dní NW-12-27-80 vozík 25 10,54 EUR Pridat do nákupního košíku
Více o vybraném díle:
CAD CAD
Žádost o vzorky Žádost o vzorky
PDF PDF
Cenová poptávka Cenová poptávka
myCatalog myCatalog

Verze 12: Rozměry [mm] - Vozíčky vedení

Díl. č. H A C C1 C2 A2 H2 K2 K3 K4 Spmin. DpØmin. Hmotnost
  ±0,35                       [g/m]
připraveno k přepravě za 24-48 hodin NW-12-40 9,5 23 52 40 20 0 0 M4 5 6,5 30
připraveno k přepravě za 24-48 hodin NW-12-40-LLY 9,5 23 52 40 20 0 0 M4 5 6,5 30
připraveno k přepravě za 24-48 hodin NW-12-40-LLZ 9,5 23 52 40 20 0 0 M4 5 6,5 30
připraveno k přepravě za 24-48 hodin NW-12-40-LLYZ 9,5 23 52 40 20 0 0 M4 5 6,5 30
připraveno k přepravě za 24-48 hodin NW-12-27 9,5 14 34 30 20 0 0 M4 5 6,5 12,5
připraveno k přepravě za 10 pracovních dní NW-12-27-80 0 14 80 76 60 0 1,5 M4 5 6,5 25
Více o vybraném díle:
CAD CAD
Žádost o vzorky Žádost o vzorky
PDF PDF
Cenová poptávka Cenová poptávka
myCatalog myCatalog

Objednávka kompletního systému

Konfigurace v několika krocích:

1. Výběr počtu vozíků.
2. Výběr typu vozíku.l
3. Zadání délky kolejnice v mm
4. Výběr verze vozíku.
5.

Nápověda:

Podrobné informace naleznete ve výše uvedených nákresech a tabulkách, a dále na stránkách zmíněných níže. Můžete tak získat přesné specifikace možností plovoucího ložiska v rámci konstrukčních pravidel.
1

Bez plovoucího ložiska

2

Plovoucí ložisko ve směru z

3

Plovoucí ložisko ve směru y

4

Plovoucí ložisko ve směru yz

drylin® NK - kompletní sada

Krok 1

Zadejte požadovaný počet vozíků.

technical drawing
Počet vozíků:

Délka vozíku ve verzi NW-12-40: 52 mm

A = M4 (max. zalisování 1,2 Nm)
B = min. Ø otvorů 6,5
C = pro strojní šrouby M4, DIN 7984 / DIN 6912 / DIN 84, EN ISO 1707 / EN ISO 7045

Statická únosnost a momenty setrvačnosti plochy

Volitelné:

Koncovka kolejnice,
Objednací č.  NSK-40

připraveno k přepravě za 24-48 hodin
připraveno k přepravě za 10 pracovních dní

Termíny "Apiro", "AutoChain", "CFRIP", "chainflex", "chainge", "řetězy pro jeřáby", "ConProtect", "cradle-chain", "CTD", "drygear", "drylin", "dryspin", "dry-tech", "dryway", "easy chain", "e-chain", "e-chain systems", quot;e-ketten", "e-kettensysteme", "e-loop", "energy chain", "energy chain systems", "enjoyneering", "e-skin", "e-spool", "fixflex", "flizz", "i.Cee", "ibow", "igear", "iglidur", "igubal", "igumid", "igus", "igus zlepšuje, co se hýbe", 73quot;igus:", "igusGO", "igutex", "iguverse", "iguversum", "kineKIT", "kopla", "manus", "motion plastics", "motion polymers", "motionary", "plasty pro delší životnost", "print2mold", "Rawbot", "RBTX", "readycable", "readychain", "ReBeL" , "ReCyycle", "reguse", "robolink", "Rohbot", "savfe", "speedigus", "superwise", "take the dryway", "tribofilament", "tribotape", "triflex", "twisterchain", "když se hýbe, igus zlepšuje", "xirodur", "xiros" a "ano" jsou zákonem chráněné ochranné známky společnosti igus® SE & Co. KG/kolín nad Rýnem ve Spolkové republice Německo a případně v některých zahraničních zemích. Jedná se o neúplný seznam ochranných známek (např. přihlášky ochranných známek nebo registrované ochranné známky) společnosti igus SE & Co. KG nebo přidružených společností igus v Německu, Evropské unii, USA a/nebo jiných zemích či jurisdikcích.

Společnost igus® SE & Co. KG upozorňuje na to, že neprodává žádné produkty společností Allen Bradley, B&R, Baumüller, Beckhoff, Lahr, Control Techniques, Danaher Motion, ELAU, FAGOR, FANUC, Festo, Heidenhain, Jetter, Lenze, LinMot, LTi DRiVES, Mitsubishi, NUM, Parker, Bosch Rexroth, SEW, Siemens, Stöber ani žádných jiných výrobců pohonů uvedených na tomto webu. Produkty nabízené společností igus® jsou stejné jako produkty společnosti igus® SE & Co. KG