Vyberte místo pro doručení

Výběr stránky země/oblasti může mít vliv na různé faktory, jako jsou cena, možnosti dopravy a dostupnost produktu.
Moje kontaktní osoba
Hennlich s.r.o.

Račianska 188

831 53 Bratislava 34

+421 2 50202506
+421 2 50202520
Hennlich s.r.o.

Košťany nad Turcom 543

SK-038 41 Košťany nad Turcom

SK(CS)

Zlepšete technologii a snižte si náklady o 25 % a více.

Lineární moduly drylin® SLW… 7 instalačních rozměrů, konfigurovatelné dle požadavků zákazníka, dodávané do 2-4 dnů

Kluzný posun místo valení! Bez potřeby mazání díky polymerům dry-tech®

Lineární moduly igus® SLW vycházejí z lineární konstrukční sady drylin® W a bezúdržbových a samomazných vysoce výkonných plastů dry-tech®. Mazivo je začleněno do materiálu ložiska, čímž se materiály ložiska hodí k provozu nasucho, např. jsou bezúdržbová po celou dobu své životnosti. Lineární moduly připravené k instalaci jsou k dispozici do 2-4 dnů.

Využijte technické výhody naší bezúdržbové technologie pohonu drylin®.

1.1. Odolné proti nečistotám, prachu, absorpci vlhkosti

Částice se od kontaktního povrchu pohybem odrážejí.

Detaily pracovního principu

Odolné proti nečistotám, prachu, absorpci vlhkosti

Suchý provoz bez mazání

Systémy lineárních ložisek drylin® jsou určeny pro provoz nasucho. Tak jsou všechny aplikace chráněné proti znečištění tukem nebo olejem. Dokonce jsou možné i aplikace v hrubých nečistotách a písku.

Testováno společností igus®

stálost vůči nečistotám

Částice nečistot se od kontaktního povrchu pohybem samy odrážejí. Přední strana kluzáků zde funguje jako stěrka. Dotyková plocha zůstává čistá.

Příklad použití

Systémy na výrobu plen

Závody zpracovávají super absorpční materiály a vlákna, která vytvářejí poměrně hodně nečistot a expozici prachu. Protože se superabsorbující polymery také chovají podobně jako písek, dochází k hromadění nečistot a tím dochází ke tření.

1.2. Nízká hlučnost

Detaily pracovního principu

Tichá a plynulý

tichý chod,

Provozní hluk se také velmi snížil změnou principu provozu z valivého na kluzný. Není žádné mechanické valení po tvrdém klouzajícím protikusu a žádné nárazy kuliček, které způsobují hluk.

Testováno společností igus®

tichý chod,

Kluzný pohyb je mimořádně tichý, slyšitelný je pouze mírný zvuk tření.

Příklad použití

Vodič hran

Nastavení formátu senzorů detekce hrany listu a rozpoznání tiskové značky řešením lineárního stolu drylin® SLW s indikátorem polohy a ručním kolečkem (pohodlné a reprodukovatelné polohování z vnějšku)

1.3. Čisté a hygienické

Detaily pracovního principu

Tichá a plynulý

Čistý a hygienický

Vlastnosti provozu kluzných ložisek iglidur® na sucho nejsou jen výhodné ve znečištěném prostředí. Nepřítomnost maziva je také důležitým kritériem u aplikací se zvýšenými požadavky na hygienu a čistotu.

testováno

použitelné v čistém prostoru

Zkoušené vedení drylin® vykazují jasnou použitelnost pro čisté prostory. Byla testována následující vedení drylin® od igus®: N40, W10, T25 a T30.

Příklad použití

Kodér

Vřetenový zvedací stůl drylin® s indikátorem polohy a ručním kolečkem se používá v kodéru pro etiketování sýra, protože nepotřebuje maziva.

1.4. Odolný proti korozi

Detaily pracovního principu

Korozní chování

Odolnost proti korozi a médiím

Všechna plastová kluzná ložiska iglidur® jsou přirozeně odolné vůči korozi. Existují i materiály se speciálním účelem, které lze použít při působení alkalických nebo kyselých roztoků, čisticích prostředků atd., z důvodu odolnosti vůči médiím, mohou být použity i za nejnepříznivějších podmínek. - Řada výrobků má také materiály se speciálním účelem pro stálé použití při ponoření.

Testováno společností igus®

Odolnost proti korozi a médiím

Nerezavějící jednotka

Odolnost lineárních ložiskových systémů závisí stejnou měrou také na protějšku. Konstrukční sadu igus® lze dodat jako zcela bezkorozní jednotku vyrobenou z nerezové oceli.

Příklad použití

Kontrolní systémy

Lineární stoly drylin® SLW nebo SHT řeší výšku nastavení kamer a senzorů

2. Materiály kluzných vložek

Materiály pro jakýkoli materiál hřídele, vynikající specifické opotřebení

Detaily pracovního principu

Malé opotřebení - vložky kluzného ložiska vyrobené z vysoce výkonný polymerů

Vysoce výkonné polymery

Lineární moduly SLW lze konfigurovat a dodávat tak, aby odpovídaly aplikaci s ohledem na materiály kluzných ložisek. Standardní konfigurace pro systémy SLW včetně ložisek vyrobených z materiálů odolných proti opotřebení iglidur® J/J200. Ložiska a matice vodicích šroubů vyrobená z materiálů iglidur® X v kombinaci s nerezovou ocelí jsou nejlepší možnost pro aplikace, které vyžadují extrémní chemickou odolnost. Materiál iglidur® A180, splňující požadavky FDA, je obzvláště vhodný pro aplikace v potravinářských / farmaceutických oblastech.

Testováno společností igus®

Materiály vložky

iglidur® J

standard

nejlepší hodnoty tření

Dobrá odolnost proti opotřebení

nízká absorpce vlhkosti


iglidur® J200

ideální s hliníkem

nízký koeficient tření

vynikající odolnost proti opotřebení s eloxovaným hliníkem


iglidur® A180

FDA certifikace

pro přímé použití v blízkosti potravin nebo léků (nebo ve styku s nimi)

nízká absorpce vlhkosti


iglidur® X

velký rozsah teplot od -100 do 250 °C

Univerzální chemická odolnost

Vysoká pevnost v tlaku

Testováno společností igus®

Rozsáhlé laboratorní testy a léta praktických zkušeností ukazují, že iglidur® J, J200, X a A180 jsou ideálními materiály pro většinu lineárních aplikací díky svým oblíbeným vlastnostem opotřebení a tření.

3. Volba ideálního materiálu patního ložiska

K dispozici jsou různé materiály patního ložiska

Odlévaný zinek: cenově výhodné standardní ložisko

Hliník: nízká hmotnost součástí

Nerezová ocel: odolná proti korozi a také proti vysokým teplotám

Mechanismus „Turn-To-Fit“: Manuálně nastavitelná vůle pomocí funkce „Turn-to-Fit“ imbusovým klíčem


4. Výběr závitu

Typy závitů

Malé opotřebení - vložky kluzného ložiska vyrobené z vysoce výkonný polymerů

Trapézové závity

Standardní konfigurace lineárního modulu SLW jsou vybaveny trapézovými vodicími šrouby s jednoduchým spouštěním a jsou pojistné. To znamená, že úhel boku závitu a smykové tření brání pohybu matice nebo vodicího šroubu bez aplikace vnějších sil. Vozík zůstává ve zvolené poloze. Vodicí šrouby vyrobené z oceli C15, korozivzdorné VA (1.4301/1.4305) a lakovaného hliníku jsou k dispozici jako protikusy maticím trapézových vodicích šroubů drylin®.

Typy závitů

Strmý závit

Lineární moduly drylin® s vodicími šrouby s vysokým stoupáním závitu lze namontovat pro rychlé seřízení a polohovací úlohy. Vodicí šrouby s vysokým stoupáním závitu jsou vyrobeny z korozivzdorné nerezové oceli (1.4021) a nejsou pojistné. Proto je lze používat v aplikacích, kde se s lineárními vozíky manipuluje rychle ručně podle potřeby.

Příklad použití

Nastavení formátu

Použití ve sklářském průmyslu. Seřízení formátu na dopravníku pro oddělování lahví.

5. Profily kolejnic drylin® W

... Tvrdě eloxovaný hliník
... Nerezová ocel (velikost 1040 a 2080)

Detaily pracovního principu

Malé opotřebení - vložky kluzného ložiska vyrobené z vysoce výkonný polymerů

Nejlepší provozní vlastnosti

Lineární moduly typové řady SLW, SAW a ZLW vycházejí z lineární konstrukční sady drylin®, která nepotřebuje mazání. Hliníkové profily extrémně odolné proti zkrutu se vyrábějí na vytlačovacích lisech. Povrch je tvrdě eloxován a charakterizován dobrými vlastnostmi opotřebení, vysokou chemickou odolností a vysokým stupněm tvrdosti. Jako protikus našich vysoce výkonných polymerů dry-tech® zajišťují mimořádné provozní charakteristiky, jsou předvídatelné a mají dlouhou životnost.

Příklad použití

odolný proti korozi

Moduly SLW z nerezové oceli vycházející z vodicích hřídelí vyrobených z materiálů V4A (1.4571) jsou k dispozici pro prostředí, která vyžadují extrémní odolnost vůči korozi.

Nástroje pro výběr igus®

Vyhledávač produktů technologie pohonu|

Porovnávejte, navrhujte a konfigurujte lineární jednotky online, rychle a pohodlně.
 

 
Expert a snadný výpočet životnosti Dokončit požadavek na systémy drylin®

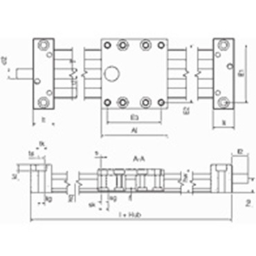
6. 7 instalačních rozměrů 7 šířek vozíku

Lineární moduly SLW jsou k dispozici v 7 instalačních rozměrech. S dostupnými instalačními rozměry 06-25 má typová řada SLW lineární modul, který odpovídá instalačnímu rozměru vašich aplikací.

Dvouřadá kolejnice, úhlová

Instalační rozměr 30: 54 mm

Dvouřadá kolejnice, kulatá

Instalační rozměr 1040: 73 mm
Instalační rozměr 1080: 107 mm
Instalační rozměr 1660: 104 mm
Instalační rozměr 2080: 153 mm
Instalační rozměr 25120: 195 mm

7. Volba ideální délky vozíku

Lineární moduly SLW lze instalovat s vozíky různých délek pro nejlepší podporu točivého momentu. V jakémkoli instalačním rozměru je možné řešení s více vozíky.
Instalační rozměr 06: 60/80/100
Instalační rozměr 1040: 69/100/150
Instalační rozměr 1080: 100/150/200
Instalační rozměr 10120: 100/150/200
Instalační rozměr 1660: 100/150/200
Instalační rozměr 2080: 150/200/250
Instalační rozměr 25120: 150/200/250

8. Různé zdvihy vozíku

Detaily pracovního principu

Různé kolejnice k dispozici

Konfigurováno s milimetrovou přesností

Lineární moduly SLW mohou být konfigurovány s milimetrovou přesností a jsou patřičně ideálně přizpůsobeny podle požadavků zákazníka.

Detaily pracovního principu

Maximální délka zdvihu

Maximální výšky zdvihu závisejí na instalačním rozměru.
 
Instalační rozměr 0630: 300 mm
Instalační rozměr 1040: 750 mm
Instalační rozměr 1080: 750 mm
Instalační rozměr 1660: 750 mm
Instalační rozměr 2080: 1000 mm
Instalační rozměr 25120: 1250 mm

Detaily pracovního principu

Tichá vřetena pro zdvihy > 750 mm

Těmito vřetenovými podpěrami nesenými vodicím vozíkem, který se polohuje nezávisle při různých bodech podél dráhy zdvihu, může nyní uživatel snadno zavést délky dlouhého zdvihu > 750 mm.

9. Průměr kolejnice

Dvouřadá kolejnice, úhlová

Instalační rozměr: 06 mm

Dvouřadá kolejnice, kulatá

Instalační rozměr: 10mm, 16 mm, 20 mm, 25 mm

11. Příslušenství / možnosti

Příslušenství pro řízení pohybu

četné příslušenství

Manuální nastavení

Rozšířený seznam příslušenství je k dispozici lineární moduly drylin® SLW pro rychlé a pohodlné navrhování ručního ovládání pohybů. Při přímém konfigurování s lineární jednotkou jsou jednotky odesílány zcela smontované.
Indikátor pozice

Upevnění vřetena

Ruční kolečko

úhlový pohon

Příslušenství pro řízení pohybu

Ovládání pohybu řízené motorem

Lineární moduly typové řady SLW lze konfigurovat a dodávat s krokovými motory drylin® E nebo s DC motory. Kromě toho je k dispozici široká řada produktů příslušenství, obsahující sady motorů, silové kabely chainflex, bezdotykové spínače, převodovky nebo adaptérové desky pro portálové struktury.

Příklad použití

drylin® E - „E“ znamená elektrický

Neustálý vývoj sady nástrojů a konceptu systému samomazné technologie pohonu drylin®.
 
Porovnávejte, navrhujte a konfigurujte vhodné lineární stoly a motory rychle a snadno.

Další informace:


Objednací klíč



Termíny "Apiro", "AutoChain", "CFRIP", "chainflex", "chainge", "řetězy pro jeřáby", "ConProtect", "cradle-chain", "CTD", "drygear", "drylin", "dryspin", "dry-tech", "dryway", "easy chain", "e-chain", "e-chain systems", quot;e-ketten", "e-kettensysteme", "e-loop", "energy chain", "energy chain systems", "enjoyneering", "e-skin", "e-spool", "fixflex", "flizz", "i.Cee", "ibow", "igear", "iglidur", "igubal", "igumid", "igus", "igus zlepšuje, co se hýbe", 73quot;igus:", "igusGO", "igutex", "iguverse", "iguversum", "kineKIT", "kopla", "manus", "motion plastics", "motion polymers", "motionary", "plasty pro delší životnost", "print2mold", "Rawbot", "RBTX", "readycable", "readychain", "ReBeL" , "ReCyycle", "reguse", "robolink", "Rohbot", "savfe", "speedigus", "superwise", "take the dryway", "tribofilament", "tribotape", "triflex", "twisterchain", "když se hýbe, igus zlepšuje", "xirodur", "xiros" a "ano" jsou zákonem chráněné ochranné známky společnosti igus® SE & Co. KG/kolín nad Rýnem ve Spolkové republice Německo a případně v některých zahraničních zemích. Jedná se o neúplný seznam ochranných známek (např. přihlášky ochranných známek nebo registrované ochranné známky) společnosti igus SE & Co. KG nebo přidružených společností igus v Německu, Evropské unii, USA a/nebo jiných zemích či jurisdikcích.

Společnost igus® SE & Co. KG upozorňuje na to, že neprodává žádné produkty společností Allen Bradley, B&R, Baumüller, Beckhoff, Lahr, Control Techniques, Danaher Motion, ELAU, FAGOR, FANUC, Festo, Heidenhain, Jetter, Lenze, LinMot, LTi DRiVES, Mitsubishi, NUM, Parker, Bosch Rexroth, SEW, Siemens, Stöber ani žádných jiných výrobců pohonů uvedených na tomto webu. Produkty nabízené společností igus® jsou stejné jako produkty společnosti igus® SE & Co. KG