Vyberte místo pro doručení

Výběr stránky země/oblasti může mít vliv na různé faktory, jako jsou cena, možnosti dopravy a dostupnost produktu.
Moje kontaktní osoba
Hennlich s.r.o.

Račianska 188

831 53 Bratislava 34

+421 2 50202506
+421 2 50202520
Hennlich s.r.o.

Košťany nad Turcom 543

SK-038 41 Košťany nad Turcom

SK(CS)

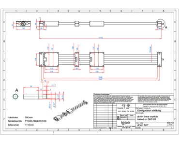
drylin® SHT drive technology configurator

You define your linear axis. We deliver it!

Save time and reduce costs. Put together your SHT linear module with lead screw easily online with just a few mouse clicks. Installation size, materials, lead screw pitches, multiple carriages, right/left opposite drive, end machining. We can do it all. Does your linear module fit into your application environment? You can check this very easily – the 3D CAD model and the 2D PDF dimensional drawing are included. Do you want to operate your linear module manually or by means of a motor? We can do either. Just choose accessories and the right motor. And how do you control your motor or linear axis? igus® can do that, too. Simply order the appropriate dryve motor control system at the same time. And how do I place an order? Put in the shopping cart, place the order, and receive your delivery. That is igus® service.
Go to SHT configurator
Configure SHT linear axes with lead scew

In a few steps to the linear axis with lead screw drive

drylin® SHT configurator
  • Choice of four installation sizes
  • Trapezoidal thread or dryspin® high helix thread
  • Single and multiple carriage versions
  • Can also be configured to be FDA-compliant for the food and pharmaceuticals sectors
  • NEW: NEMA stepper motors; EC/DC direct current motors, dryve motor control systems,  proximity switches, connecting cable

drylin® SHT drive technology configurator 1. Enter application parameters
drylin® SHT drive technology configurator 2. System configuration
drylin® SHT drive technology configurator 3. Configure drive pin or accessory
drylin® SHT drive technology configurator 4. Check summary
drylin® SHT drive technology configurator 5. View interactive 3D CAD model
drylin® SHT drive technology configurator 6. Download PDF dimensional drawing

Tech up with igus Tech up
  • Online configuration tool for SHT linear modules
  • Configuration of single or multiple-carriage systems
  • Fast dryspin® high helix thread or self-locking trapezoidal thread
  • Ready-to-connect configuration
Cost down with igus

Cost down

    • Simple online configuration of a linear module
    • All parts fit together
    • Reduced design time due to ready-to-connect system (linear module/motor/dryve motor control system)
    • Incl. 2D dimensional drawing and 3D CAD model
    igus proves it Proof
    • Service life can be calculated online
    • All configuration models clear and plausible
    • incl. 2D dimensional drawing and 3D CAD model
    igus is sustainable Sustainability
    • igus supports the circular economy of plastics and is investing in chemical recycling. Learn more about this topic at: Plastic2Oil


    Poradenské služby

    Rád zodpovím vaše otázky osobne

    Preprava a konzultace

    Osobne:

    Pondelí až pátek od 7:00 do 20:00.
    Sobota od 8:00 do 12:00.

    Online:

    24h


    Termíny "Apiro", "AutoChain", "CFRIP", "chainflex", "chainge", "řetězy pro jeřáby", "ConProtect", "cradle-chain", "CTD", "drygear", "drylin", "dryspin", "dry-tech", "dryway", "easy chain", "e-chain", "e-chain systems", quot;e-ketten", "e-kettensysteme", "e-loop", "energy chain", "energy chain systems", "enjoyneering", "e-skin", "e-spool", "fixflex", "flizz", "i.Cee", "ibow", "igear", "iglidur", "igubal", "igumid", "igus", "igus zlepšuje, co se hýbe", 73quot;igus:", "igusGO", "igutex", "iguverse", "iguversum", "kineKIT", "kopla", "manus", "motion plastics", "motion polymers", "motionary", "plasty pro delší životnost", "print2mold", "Rawbot", "RBTX", "readycable", "readychain", "ReBeL" , "ReCyycle", "reguse", "robolink", "Rohbot", "savfe", "speedigus", "superwise", "take the dryway", "tribofilament", "tribotape", "triflex", "twisterchain", "když se hýbe, igus zlepšuje", "xirodur", "xiros" a "ano" jsou zákonem chráněné ochranné známky společnosti igus® GmbH/kolín nad Rýnem ve Spolkové republice Německo a případně v některých zahraničních zemích. Jedná se o neúplný seznam ochranných známek (např. přihlášky ochranných známek nebo registrované ochranné známky) společnosti igus GmbH nebo přidružených společností igus v Německu, Evropské unii, USA a/nebo jiných zemích či jurisdikcích.

    Společnost igus® GmbH upozorňuje na to, že neprodává žádné produkty společností Allen Bradley, B&R, Baumüller, Beckhoff, Lahr, Control Techniques, Danaher Motion, ELAU, FAGOR, FANUC, Festo, Heidenhain, Jetter, Lenze, LinMot, LTi DRiVES, Mitsubishi, NUM, Parker, Bosch Rexroth, SEW, Siemens, Stöber ani žádných jiných výrobců pohonů uvedených na tomto webu. Produkty nabízené společností igus® jsou stejné jako produkty společnosti igus® GmbH