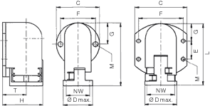
PMAFIX VOD: úhlové připojovací díly 90° s přírubou
Tyto typy konektorů PMAFIX jsou vhodné v širokém rozmezí aplikací ve spojení s rýhovanými trubkami PMAFLEX a umožňuje nejvyšší bezpečnost a utěsnění.
Charakteristiky:
- IP66: Uchycení s předem sestavenými univerzálními bezpečnostními svorkami (AFN2), přírubovým těsněním (OR)
- IP68: Uchycení s oválnými zámky (OVN2), trubka a přírubové těsnění (NVN3, OR)